散熱風扇尺寸分類
熱門新聞

-
產品詳情
-
聯系我們
散熱風扇基本參數 | ||
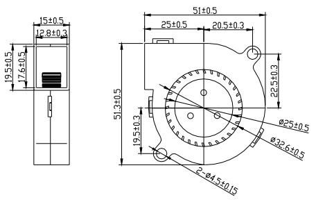
尺 寸: | 50×50×15 MM | |
額定電壓: | DC 12.0 V ( 可以定制) | |
額定電流: | 0.12 A ( 可以定制) | |
額定轉速: | 5000 RPM ( 可以定制) | |
額定功率: | 1.44W | |
最大風量: | 2.95 CFM | |
最大風壓: | 11.42 mmH2O | |
噪 音: | 39 dB-A |
散熱風扇曲線 | 散熱風扇尺寸圖 |
![]() | ![]() |
同型號其他參數
MODEL | Rated Voltage | Operating Voltage Range | Rated Current | Rated Input Power | Speed | Maximum Air Flow | Maximum Air Pressure | Node | ||
型號 | 額定電壓 | 工作電壓范圍 | 額定電流 | 額定輸出功率 | 轉速 | 最大風量 | 最大風壓 | 噪音 | ||
PART NO. | V DC | V DC | A mp | Watt | R.P.M | m3/min | CFM | mmH2O | INH2O | dB-A |
JXJ5015D5L-B | 5 | 3.6-6.8 | 0.3 | 1.5 | 5000 | 0.08 | 2.95 | 11.42 | 0.45 | 39 |
JXJ5015D1L-B | 12 | 7.0-13.5 | 0.12 | 1.44 | 5000 | 0.08 | 2.95 | 11.42 | 0.45 | 39 |
JXJ5015D2L-B | 24 | 18-26.5 | 0.07 | 1.68 | 5000 | 0.08 | 2.95 | 11.42 | 0.45 | 39 |
JXJ5015D5M-B | 5 | 3.6-6.8 | 0.4 | 2.0 | 6000 | 0.09 | 3.33 | 17.28 | 0.68 | 43 |
JXJ5015D1M-B | 12 | 7.0-13.5 | 0.18 | 2.16 | 6000 | 0.09 | 3.33 | 17.28 | 0.68 | 43 |
JXJ5015D2M-B | 24 | 18-26.5 | 0.09 | 2.16 | 6000 | 0.09 | 3.33 | 17.28 | 0.68 | 43 |
JXJ5015D1H-B | 12 | 7.0-13.5 | 0.32 | 3.84 | 6500 | 0.11 | 3.76 | 24.08 | 0.95 | 46 |
JXJ5015D2H-B | 24 | 18-26.5 | 0.15 | 3.6 | 6500 | 0.11 | 3.76 | 24.08 | 0.95 | 46 |
辛苦您了,您看到這里了怎么還沒有看到散熱風扇都沒有什么功能(防潮、溫控 等)選擇的嗎?不要著急,公司給您來個非常詳細的功能介紹。請點擊風扇功能
備注
如果您需要找的扇熱風扇型號或者是需要特殊的型號參數,我司可以給您方案設計,讓您更加放心省事。請聯系我們業務!如果這個型號不合適您,也可以直接點擊產品中心哦!
業務電話:18207676655
傳真:0755-23033850
聯系人:曾先生
地址:深圳市龍華新區觀瀾街道松元上圍新村51號